The OZONE ANALYZER BMT 965 C is the wall-mount version of the standard BMT 965ST for application in a hostile environment. It is housed in a splash-proof IP 65 (NEMA 4X) aluminum cabinet, and is equipped with everything needed for fully automatic, stand-alone operation.
The instrument comes with a Sample Gas Filter (two-stage particle filter), throttle valve, flow meter, internal purge unit (solenoid valve and air pump, for fully automatic zeroing), and a Catalyzing Cartridge.
The two-stage particle filter is equipped with a stainless steel housing containing two different filter inserts: one pre-filter (OD 25 mm, 1 mm thick) and one ultra fine main filter (OD 25 mm, 6 mm thick). Both filter inserts are made of porous PTFE.
An eight gigabyte non-volatile log memory is included, providing virtually unlimited storage capacity for concentration and error logs. If connected to a PC, the instrument acts as an external USB drive, from which concentration and error logs can be downloaded. Logs can also be copied and firmware can be upgraded without an external computer just by connecting a USB flash drive.
Complete control of all operating parameters is provided with the Windows software BMT 965 Link. Superior stability of the photometer is achieved by use of a true dual beam optical system with an extremely long-life mercury lamp. MTBF of the instrument, including the lamp, is in excess of 65,000 hours. Excluding the lamp it is 120,000 hours.
Click For Detail View
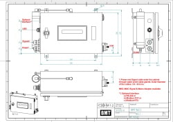
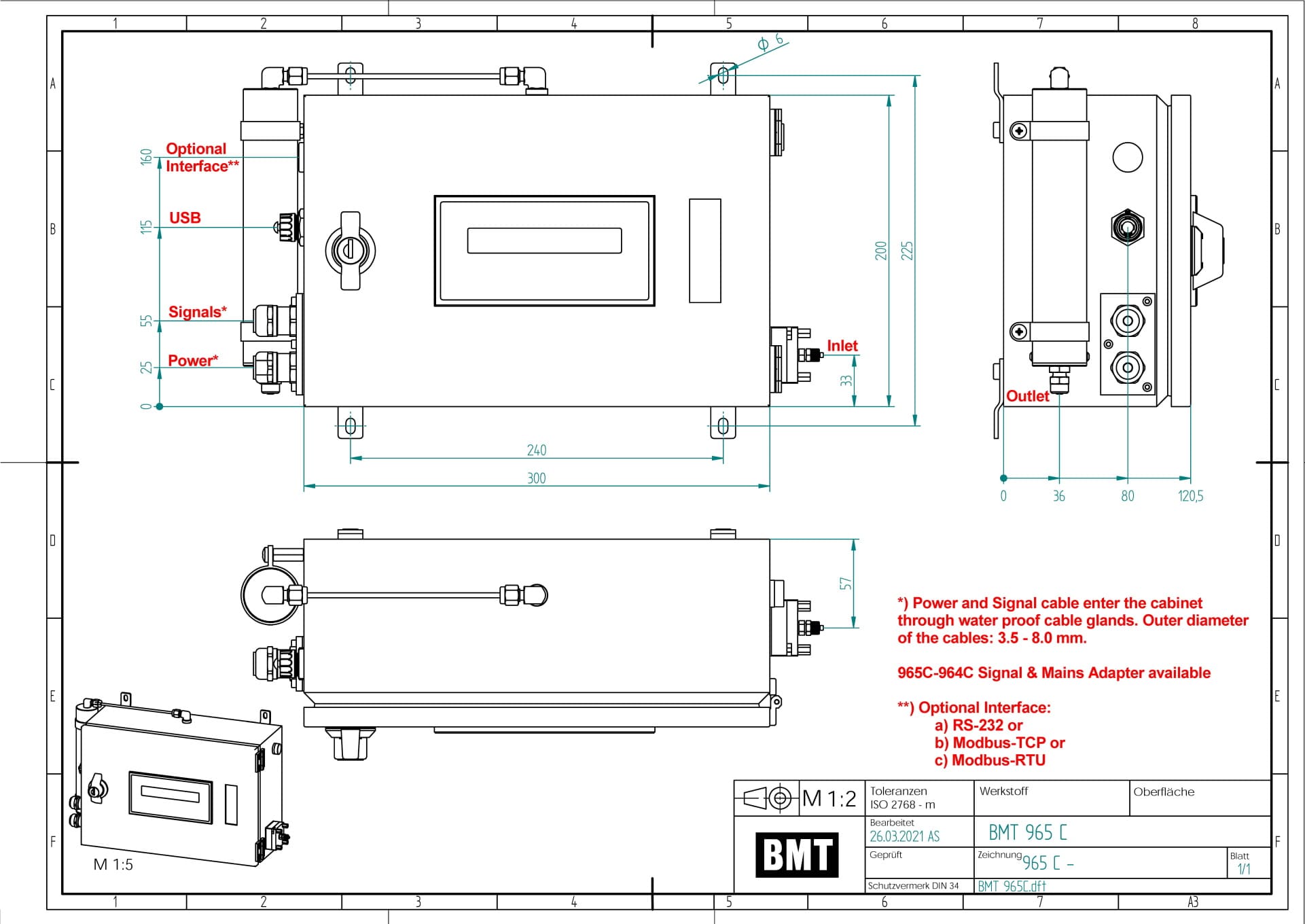
The OZONE ANALYZER BMT 965 C is housed in a powder coated aluminum cabinet. The installation space needed (door open, sample gas tubing and cables connected) is approx. 480 x 240 x 420 mm (W x H x D). The cabinet can be wall mounted using the four brackets provided at the rear (four mounting holes 6 mm ID, spaced 240 x 225 mm, W x H).
The ozone sample gas is connected to the Sample Gas Filter (two-stage particle filter) provided outside of the cabinet (see sketch above). We recommend to use transparent FEP sample gas tubing 3x5 mm (or 1/8“x3/16“ respectively). The standard inlet fittings thus are for 3x5 mm flexible tubing. But different other fittings are available on request: for 4x6 mm flexible tubing, or Swagelok fittings 1/8“ or 6 mm or 1/4“.
Additional BMT Products (for details, refer to the appropriate data sheets):
• BMT 965 BT (Bench Top) for stand-alone applications on the bench, or in the field
• BMT 965 AQ for ozone measurement in DI (de-ionized) water
• BMT 965 AQ/HF for ozone in DI water with HF
• BMT 932 Ozone Monitor for TLV monitoring in ambient air (1, 3 & 6 channels)
A broad spectrum of field-proven accessories - from simple fittings and tubing up to a thermoelectric sample gas dryer - helps the user with the application and installation of the OZONE ANALYZER BMT 965 C.
• Monitoring of ozone generator output
• Monitoring of residual ozone after a process
• Potable water & waste water treatment
• Industrial ozone processes
• Ballast water treatment
• Long-life mercury lamp
• Warranty 3 years, 5 years on the UV lamp
• High accuracy, error less than 0.5%
• Pressure and temperature compensated
• Ranges from 10 to 600 g/Nm3
• Two-stage particle filter, integrated
• Built-in Purge Unit and timer for automatic zeroing
• Failure warnings include: lamp low, cuvette dirty,
overrange, summary error
• Key functions programmable via the front panel, or a
Windows PC
• Display in g/Nm3, %wt/wt, or ppmv
• High and low limit alarms
• 4-20 mA and 0-10 V isolated outputs
• 8 GB non-volatile log memory (binary and Excel CSV)
• USB On-The-Go, Firmware upgrades in the field
measurement principle dual-beam UV photometer (254 nm), no moving parts
MTBF instrument incl. UV lamp 65,000 h, excl. UV lamp 120,000 h
UV lamp low pressure mercury lamp, long life design, burnt-in for 300 h
display 16 character alphanumeric backlit LCD
concentration ranges 50, 100, 200, 300, 400, 500, 600 g/Nm3,selectable units g/Nm3, %wt/wt and ppmv
optional ranges 10, 20 g/Nm3, selectable units g/Nm3, %wt/wt and ppmv
accuracy after zeroing the max. error is the sum:0.4% of measurement + 0.1% of scale
repeatability error 0.2 % of measurement
response time 0.1 s (analog output), 0.3 s (display)
zero drift typ. 0.2% of range per day,after warm-up, non-cumulative
max. input pressure 2.5 bar gauge
max. outlet pressure 1.15 bar abs
ambient temperature 0 - 55 °C (non-condensing)
materials in contact w/ozone quartz (cuvette windows), stainless steel (cuvette,fittings), FFPM (window seals), FEP (tubing)
inlet gas port for 3x5 mm (1/8“ x 3/16“) tubing, opt. 4x6 mm, or1/8‘‘ or 1/4“ or 6 mm Swagelok--Built-in sample gas filter is standard
outlet gas port for 4x6 mm tubing
recommended flow rate 0.1 to 1 l/min typical
pressure drop approx. 60 mbar at 0.5 l/min (throttle valve fully open)
temperature compensation is standard
pressure compensation with built-in cuvette pressure transducer, units selectable: bar, psi, Torr, MPa
signal outputs concentration 4 - 20 mA (isolated, active) concentration 0 - 10 V (isolated)
concentration alarms High Alarm, Low Alarm, latching, not latching
control input set to zero (24 V, 8 mA, isolated)
control outputs relay contacts, 28 V, 0.5 A, isolated:Lamp Low Warning, Cuvette Dirty Warning, High Alarm, Low Alarm
error handling Error Relay: 30 V, 0.5 A, summarizing instrument failures, Lamp Low Error, Lamp Off Error, Cuvette Dirty Error,Overrange, Overpressure
early warnings Lamp Low Warning, Cuvette Dirty Warning
Memory 8 GB for error and concentration logs
USB On-The-Go, Device/Host mode, Full speed
serial interface (option) RS-232, bidirectional, isolated, 2400 - 38400 Baud
automatic zeroing with internal purge pumpand solenoid valve
Software BMT 965 Link, instrument configuration, readout ofConcentration, Event & Error Logs (Windows)
power wide range input: 100 - 240 VAC, 35 VA
dimensions (W x H x D) 300 x 200 x 120 mm
weight 3.6 kg
compliance CE-marked (EMC & safety), cTUVus NRTL-listed, USCG 46 CFR 162.060‑30

















